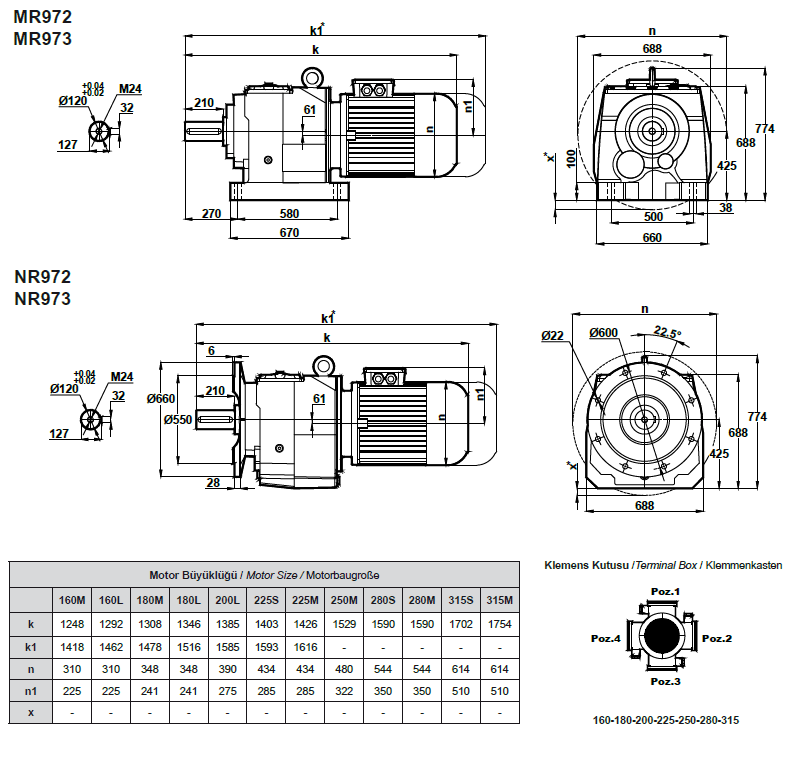
Габаритные и присоединительные размеры MR972, MR973 (MRF972, MRF973)

 

Назад

Габаритные и присоединительные размеры MR972, MR973 (MRF972, MRF973)

Назад

 
© 2014 Редукторы, мотор-редукторы, устройства плавного пуска, преобразователи частоты