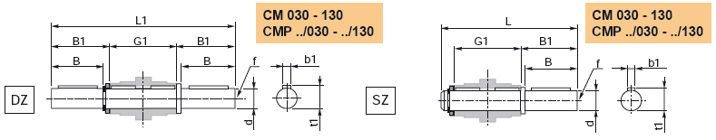
Выходной вал имеет цилиндрическую форму и поновляется в качестве опции. Валы могут быть одно- и двухсторонними.

SZ – односторонний выходной вал
DZ – двухсторонний выходной вал
CM |
CMP |
d
h7 |
B |
B1 |
G1 |
L |
L1 |
f |
b1 |
t1 |
030 |
056/030 |
14 |
30 |
32.5 |
63 |
102 |
128 |
M6 |
5 |
16 |
040 |
056/040
063/040 |
18 |
40 |
43 |
78 |
128 |
164 |
M6 |
6 |
20.5 |
050 |
063/050
071/050 |
25 |
50 |
53.5 |
92 |
153 |
199 |
M10 |
8 |
28 |
063 |
063/063
071/063
080/063 |
25 |
50 |
53.5 |
112 |
173 |
219 |
M10 |
8 |
28 |
075 |
071/075
080/075
090/075 |
28 |
60 |
63.5 |
120 |
192 |
247 |
M10 |
8 |
31 |
090 |
071/090
080/090
090/090 |
35 |
80 |
84.5 |
140 |
234 |
309 |
M12 |
10 |
38 |
110 |
080/110
090/110 |
42 |
80 |
84.5 |
155 |
249 |
324 |
M16 |
12 |
45 |
130 |
080/130
090/130 |
45 |
80 |
85 |
170 |
265 |
340 |
M16 |
14 |
48.5 |
|