Вернуться в общее описание
Редукторы NMRV имеют следующие типоразмеры:
nmrv 030, nmrv 040, nmrv 050, nmrv 063, nmrv 075, nmrv 090, nmrv 110, nmrv 130, nmrv 150
- Типоразмер - 075 - изготавливается из алюминиевого сплава, литого под давлением;
- Нагрузочная способность в соответствии с: ISO 14521, ISO 6336, DIN 3990, DIN 743, ISO 281, DIN 3996, BS 721, AGMA 6034;
- Передаточное отношение - 7,5 - 100;
- Мощность электродвигателя - 0,25- 4,0 квт;
- Момент на выходном валу - 46 - 261 Нм;
- Окраска редуктора синяя - RAL 5010.
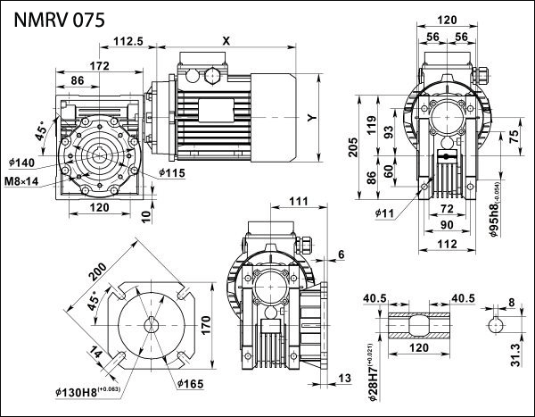
Габаритные и присоединительные размеры NMRV 075

Выходные обороты и мощность электродвигателя
Мощность электродвигателя в кВт |
Скорость вращения выходного вала в об/мин |
Момент на выходном валу в Нм |
Сервис-фактор s/f |
Передаточное отношение - i |
Габарит и количество полюсов электродвигателя |
Максимальная радиальная нагрузка на выходной вал |
0,25 |
17.5 |
82 |
2.3 |
80 |
71А4 |
6130 |
14.0 |
94 |
1.9 |
100 |
6603 |
11.3 |
117 |
1.7 |
80 |
71В6 |
7103 |
9.0 |
133 |
1.4 |
100 |
7380 |
0,37 |
23.3 |
98 |
2.0 |
60 |
71B4 |
5569 |
17.5 |
121 |
1.6 |
80 |
6130 |
14.0 |
139 |
1.3 |
100 |
6603 |
18.0 |
126 |
1.8 |
50 |
80A6 |
6073 |
15.0 |
144 |
1.5 |
60 |
6453 |
11.3 |
173 |
1.2 |
80 |
7103 |
9.0 |
196 |
1.0 |
100 |
7380 |
0,55 |
35.0 |
99 |
1.3 |
80 |
71B2 |
4865 |
28.0 |
114 |
1.0 |
100 |
5241 |
35.0 |
108 |
2.0 |
40 |
80A4 |
4865 |
28.0 |
129 |
1.6 |
50 |
5241 |
23.3 |
146 |
1.4 |
60 |
5569 |
17.5 |
180 |
1.1 |
80 |
6130 |
14.0 |
206 |
0.9 |
100 |
6603 |
30.0 |
128 |
2.0 |
30 |
80B6 |
5122 |
22.5 |
159 |
1.5 |
40 |
5637 |
18.0 |
187 |
1.2 |
50 |
6073 |
15.0 |
214 |
1.0 |
60 |
6453 |
0,75 |
46.7 |
109 |
1.3 |
60 |
80A2 |
4421 |
28.0 |
156 |
0.8 |
100 |
5241 |
56.0 |
102 |
2.0 |
25 |
80B4 |
4160 |
46.7 |
117 |
2.0 |
30 |
4421 |
35.0 |
147 |
1.5 |
40 |
4865 |
28.0 |
177 |
1.2 |
50 |
5241 |
23.3 |
200 |
1.0 |
60 |
5569 |
60.0 |
98 |
2.4 |
15 |
90S6 |
4065 |
45.0 |
126 |
1.9 |
20 |
4474 |
36.0 |
153 |
1.4 |
25 |
4820 |
30.0 |
174 |
1.5 |
30 |
5122 |
22.5 |
216 |
1.1 |
40 |
5637 |
1,1 |
112.0 |
78 |
1.9 |
25 |
80B2 |
3302 |
93.3 |
90 |
1.9 |
30 |
3509 |
70.0 |
116 |
1.4 |
40 |
3862 |
56.0 |
139 |
1.1 |
50 |
4160 |
46.7 |
160 |
0.9 |
60 |
4421 |
90.0 |
100 |
2.3 |
10 |
90L6 |
3551 |
60.0 |
144 |
1.6 |
15 |
4065 |
45.0 |
184 |
1.3 |
20 |
4474 |
36.0 |
225 |
1.0 |
25 |
4820 |
30.0 |
256 |
1.0 |
30 |
5122 |
93.3 |
96 |
2.1 |
15 |
90S4 |
3509 |
70.0 |
123 |
1.7 |
20 |
3862 |
56.0 |
150 |
1.3 |
25 |
4160 |
46.7 |
171 |
1.3 |
30 |
4421 |
35.0 |
216 |
1.0 |
40 |
4865 |
1,5 |
120.0 |
105 |
2.0 |
7.5 |
100L6 |
3227 |
90.0 |
137 |
1.7 |
10 |
3551 |
60.0 |
196 |
1.2 |
15 |
4065 |
56.0 |
189 |
0.8 |
50 |
90S2 |
4160 |
46.7 |
218 |
0.7 |
60 |
4421 |
140.0 |
90 |
2.2 |
10 |
90L4 |
3065 |
93.3 |
130 |
1.5 |
15 |
3509 |
70.0 |
168 |
1.3 |
20 |
3862 |
56.0 |
205 |
1.0 |
25 |
4160 |
46.7 |
233 |
1.0 |
30 |
4421 |
280.0 |
46 |
3.1 |
10 |
90S2 |
2433 |
186.7 |
67 |
2.2 |
15 |
2785 |
140.0 |
87 |
1.8 |
20 |
90S2 |
3065 |
112.0 |
106 |
1.4 |
25 |
3302 |
93.3 |
123 |
1.4 |
30 |
3509 |
70.0 |
158 |
1.0 |
40 |
3862 |
2,2 |
186.7 |
100 |
1.8 |
7.5 |
100LA4 |
2785 |
140.0 |
132 |
1.5 |
10 |
3065 |
93.3 |
191 |
1.0 |
15 |
3509 |
373.3 |
51 |
2.5 |
7.5 |
90L2 |
2210 |
280.0 |
68 |
2.1 |
10 |
2433 |
186.7 |
98 |
1.5 |
15 |
2785 |
140.0 |
128 |
1.3 |
20 |
3065 |
112.0 |
156 |
1.0 |
25 |
3302 |
93.3 |
180 |
0.9 |
30 |
3509 |
3 |
373.3 |
70 |
1.9 |
7.5 |
100LA2 |
2210 |
280.0 |
92 |
1.6 |
10 |
2433 |
186.7 |
137 |
1.4 |
7.5 |
100LB4 |
2785 |
140.0 |
180 |
1.1 |
10 |
3065 |
93.3 |
261 |
0.8 |
15 |
3509 |
4 |
373.3 |
93 |
1.4 |
7.5 |
112M2 |
2210 |
280.0 |
123 |
1.2 |
10 |
2433 |
186.7 |
182 |
1.0 |
7.5 |
112M4 |
2785 |
140.0 |
240 |
0.8 |
10 |
3065 |
Пример заказа редуктора:
NMRV - 075 - 20 - 70 - 2,2 - B3
NMRV - модель червячного редуктора
075 - габарит межцентровое расстояние в мм
20
- передаточное число
70
- скорость вращения выходного вала, об/мин
2,2 - мощность электродвигателя, кВт
B3 - расположение в пространстве
|