Вернуться в общее описание
Редукторы NMRV имеют следующие типоразмеры:
nmrv 030, nmrv 040, nmrv 050, nmrv 063, nmrv 075, nmrv 090, nmrv 110, nmrv 130, nmrv 150
- Типоразмер - 150 - изготавливается из серого чугуна, с последующей механической обработкой;
- Нагрузочная способность в соответствии с: ISO 14521, ISO 6336, DIN 3990, DIN 743, ISO 281, DIN 3996, BS 721, AGMA 6034;
- Передаточное отношение - 7,5 - 100;
- Мощность электродвигателя - 1,1 - 15,0 квт;
- Момент на выходном валу - 330 - 1800 Нм;
- Окраска редуктора синяя - RAL 5010.
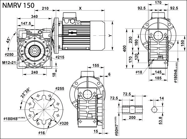
Габаритные и присоединительные размеры NMRV 150

Выходные обороты и мощность электродвигателя
Мощность электродвигателя в кВт |
Скорость вращения выходного вала в об/мин |
Момент на выходном валу в Нм |
Сервис-фактор s/f |
Передаточное отношение - i |
Габарит и количество полюсов электродвигателя |
Максимальная радиальная нагрузка на выходной вал |
2,2 |
28.0 |
570 |
2.5 |
50 |
100LA4 |
13103 |
23.3 |
657 |
1.9 |
60 |
13924 |
17.5 |
816 |
1.4 |
80 |
15325 |
14.0 |
960 |
1.0 |
100 |
16508 |
3 |
28.0 |
778 |
1.8 |
50 |
100LB4 |
13103 |
23.3 |
896 |
1.4 |
60 |
13924 |
17.5 |
1113 |
1.0 |
80 |
15325 |
14.0 |
1310 |
0.8 |
100 |
16508 |
4 |
28.0 |
1037 |
1.4 |
50 |
112M4 |
13103 |
23.3 |
1195 |
1.1 |
60 |
13924 |
17.5 |
1484 |
0.8 |
80 |
15325 |
5,5 |
70.0 |
645 |
2.0 |
20 |
132S4 |
9654 |
56.0 |
788 |
1.5 |
25 |
10400 |
46.7 |
934 |
1.3 |
30 |
11051 |
35.0 |
1171 |
1.3 |
40 |
12163 |
28.0 |
1426 |
1.0 |
50 |
13103 |
23.3 |
1643 |
0.8 |
60 |
13924 |
7,5 |
70.0 |
880 |
1.5 |
20 |
132M4 |
9654 |
56.0 |
1074 |
1.1 |
25 |
10400 |
46.7 |
1274 |
0.9 |
30 |
11051 |
35.0 |
1596 |
1.0 |
40 |
12163 |
11 |
186.7 |
512 |
2.3 |
7.5 |
160M4 |
6962 |
140.0 |
675 |
1.8 |
10 |
7663 |
93.3 |
990 |
1.3 |
15 |
8771 |
70.0 |
1291 |
1.0 |
20 |
9654 |
56.0 |
1576 |
0.8 |
25 |
10400 |
15 |
186.7 |
698 |
1.7 |
7.5 |
160L4 |
6962 |
140.0 |
921 |
1.3 |
10 |
7663 |
93.3 |
1351 |
0.9 |
15 |
8771 |
70.0 |
1760 |
0.7 |
20 |
9654 |
Пример заказа редуктора:
NMRV - 150 - 7,5 - 187 - 11,0 - B3
NMRV - модель червячного редуктора
150 - габарит межцентровое расстояние в мм
7,5 - передаточное число
187- скорость вращения выходного вала, об/мин
11,0 - мощность электродвигателя, кВт
B3 - расположение в пространстве
|